Darbo informacija

Atsisiųsti darbą Paklausti

Tranzistorinio stiprintuvo tyrimas

9.3 (3 atsiliepimai)

Detali informacija

Kategorija: Fizika , Laboratoriniai darbai
Lygis: Mokyklinis
Failo tipas: DOCX failas
Apimtis: 6 psl., (564 ž.)
Vertinimas:
9.3 (3 atsiliepimai)
Šaltiniai: Yra

Ištrauka

Tranzistorinio stiprintuvo dažninė ir fazinė charakteristikos 

Teorijos klausimai 
Bendrabazės ( BB ) ir bendraemiterės ( BE ) tranzistorinės stiprinimo pakopos sandara ir veikimo principas.
Tranzistoriaus veikos taško nustatymo būdai. Mažo įėjimo signalo sąlyga.
BB stiprinimo pakopos įėjimo ir išėjimo varžos; įtampos, srovės ir galios stiprinimo koeficientai.
Ekvivalentinė T- pavidalo elektroninė grandinė plačiame dažnių diapazone. Įėjimo įtampos stiprinimo
koeficiento K u b priklausomybė nuo kolektoriaus apkrovos rezistoriaus Ra varžos.
BE stiprinimo pakopos įėjimo ir išėjimo varžos; įtampos, srovės ir galios stiprinimo koeficientai.
Ekvivalentinė T- pavidalo elektroninė grandinė plačiame dažnių diapazone. Įtampos stiprinimo koeficiento Kue priklausomybė nuo kolektoriaus apkrovos rezistoriaus Ra varžos.
BB ir BE stiprinimo pakopų įėjimo signalo stiprinimo ribiniai dažniai: fa r -aukštasis ribinis dažnis, fž r -žemasis
ribinis dažnis bei jų sąryšis su dvipolio tranzistoriaus ribiniais dažniais: f ir f. Praleidžiamų dažnių juostos
plotis f = fa r - fž r.
Praktinės užduotys
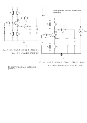
Matavimo stende sujungti BB stiprinimo pakopos elektroninę grandinę (1 pav. a) ir, esant mažo įėjimo signalo
Uin ~ sąlygai, su oscilografu dviejų statmenai svyruojančių signalų sudėties metodu ( Lisažu figūrų metodas )
išmatuoti įėjimo įtampos Uin ~ stiprinimo koeficiento K u b = Uiš /Uin amplitudės K u b ( f in ) ir fazės ( f in )
dažnines charakteristikas. Rasti ribinius dažnius fa r b ir fž r b bei praleidžiamų dažnių juostos plotį f b. Gautus
rezultatus pateikti grafiškai.
Matavimo stende sujungti BE stiprinimo pakopos elektroninę grandinę (1 pav. b) ir, esant mažo įėjimo signalo
Uin ~ sąlygai, Lisažų metodu išmatuoti įėjimo įtampos Uin ~ stiprinimo koeficiento K u e = Uiš /Uin amplitudės K
u e ( f in ) ir fazės we ( f in ) dažnines charakteristikas. Rasti ribinius dažnius fa r e ir fž r e bei praleidžiamų dažnių
juostos plotį fe. Esant įėjimo signalo Uin  dažniui f in = 10 kHz, išmatuoti įtampos stiprinimo koeficiento K u e
priklausomybę nuo kolektoriaus apkrovos rezistoriaus R3 varžos: R3 = 300 Ω, 1 kΩ, 2 kΩ, 3 kΩ ir 5,1 kΩ.
Gautus rezultatus pateikti grafiškai.
Pastaba- dažninėse charakteristikose dažnį f in pateikti logaritminiame mastelyje.

Ne tai, ko ieškai?

Mūsų mokslo darbų bazėje yra daugybė įvairių mokslo darbų, todėl tikrai atrasi sau tinkamą!

Atsiliepimai apie mus