Darbo informacija

Atsisiųsti darbą Paklausti

Kūnų sistemos pusiausvyra

9.3 (7 atsiliepimai)

Detali informacija

Kategorija: Mechanika , Laboratoriniai darbai
Lygis: Universitetinis
Failo tipas: DOCX failas
Apimtis: 3 psl., (76 ž.)
Vertinimas:
9.3 (7 atsiliepimai)
Šaltiniai: Yra

Ištrauka

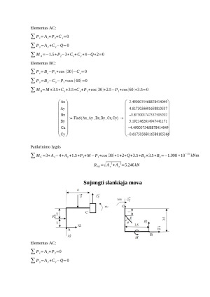
Kūnų sistemos pusiausvyra

Konstrukciją sudaro du elementai. Jie sujungti šarnyru C arba slankiąja mova C. θ = 60°. 
Statikos metodais nustatykite, kaip turime sujungti elementus, kad gautume mažesnę reakcijos RA
reikšmę.
Mova:
P1 = 4 kN;
P2 = 2 kN;
M =3 kNm;
q = 1 kN/m.
Q = q*4 = 1*4 = 4 kN/m
Sujungti šarnyru

Ne tai, ko ieškai?

Mūsų mokslo darbų bazėje yra daugybė įvairių mokslo darbų, todėl tikrai atrasi sau tinkamą!

Atsiliepimai apie mus